1、LDO芯片:一般是PW6566线性稳压器,外围简单,SOT23-3封装,即常见的贴片三极管封装,最大电流是250MA. 输出电压固定版本:5V,3.3V,3V,2.8V,2.5V,1.8V,1.5V1.2V等。


2、DC-DC降压芯片:最高输入电压在4V多,可以不用像5V那么多考虑,可以直接用几款降压芯片来做选择:
1, PW2058,可调输出,最大0.8A电流,效率95%
2, PW2051,可调输出,最大1.5A电流,效率95%
3, PW2052,可调输出,最大2.0A电流,效率95%
4, PW2053,可调输出,最大3.0A电流,效率95%

3、同时PW2058/1/2/3的PIN脚功能是一样的,可以在同一个PCB布局和板子上进行不同电流和效率的测试验证等。以此可以让工程师更快和方便选型和得到合适的功能降压芯片。
举例:PW2053的典型电路图:


4、 5V的输入电压,我们知道在有些电源或者供电的5V输入可能是不稳定的,比如拔插造成的瞬间尖峰电压6V,8V等,就需要选择更宽输入范围的降压芯片和LDO来搭配了。
如果是5V稳定电压,则可以用跟上面说的3.7V的PW2058/1/2/3那几款降压芯片了。
宽范围的DC-DC降压芯片:
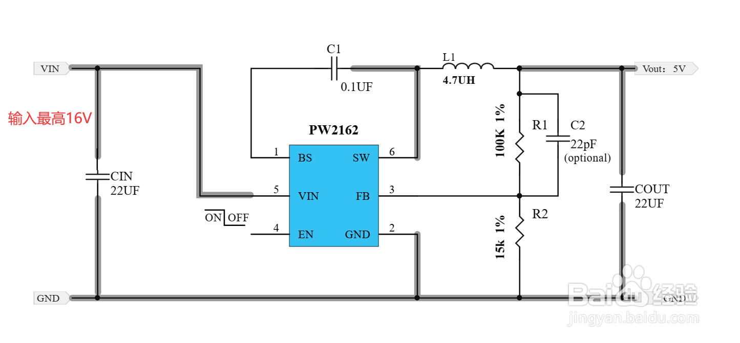
1, PW2162,输入3.3V-16V范围,输出电流最大2A
2, PW2163,输入4.5V-18V范围,输出电流最大3A
3, PW2312,输入4.5V-30V范围,输出电流最大1.2A
4, 这三款的Pin脚功能是一样的,也是可以提供了很多方便,可以在同一个PCB布局和板子上进行测试和验证最终确定等
典型参考电路图:PW2162示例
