1、PW2162是一颗DC-DC同步降压转换器芯片,输入电压范围4.5V-16V,最大负载电流2A,可调输出电压,频率600kHZ高频率,可采用贴片电感,节省空间,采用SOT23-6封装形式。
PW2162输入电压宽,可用贴片电感,很节省空间,就非常适合2A及其以下电流的应用。
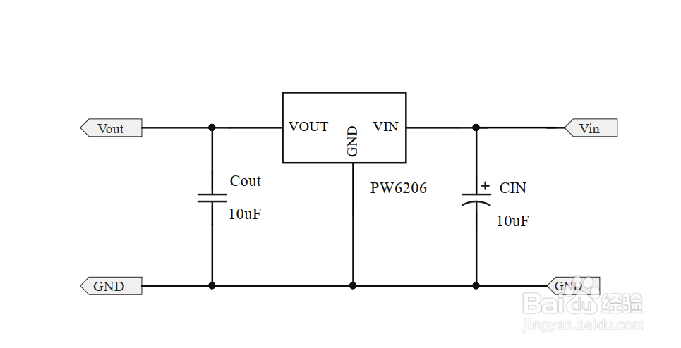
LDO的话,推荐PW6206了

2、6V-8.4V输入,降压输出5V的电路图,
PW2162的PIN 4脚:低电压关,高电平开。可接个100K电阻到VIN。
L1为电感,可选用贴片电感:屏蔽电感,功率电感等,电感饱和电流越大和体积越大也能最大化效率和温度。

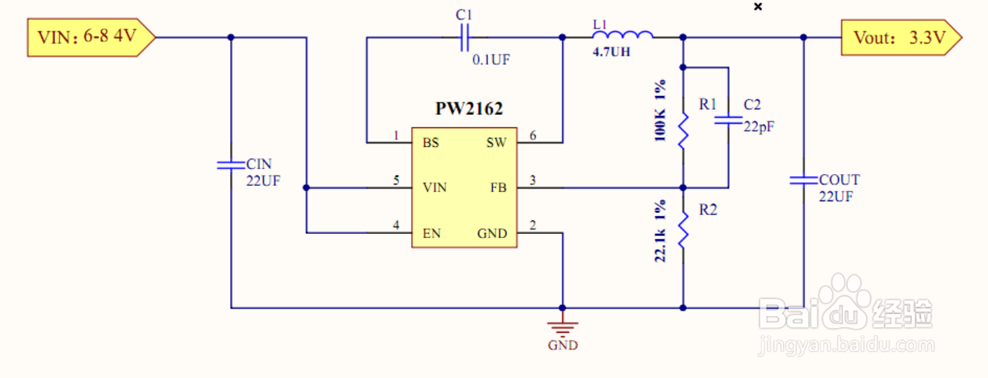
3、6V-8.4V输入,降压输出3.3V的电路图,
CIN:22uf是输入滤波电容,不加会影响IC正常工作或损坏。封装建议0805
Cout:22uf是输入滤波电容,不加会影响IC正常工作或损坏。封装建议0805
C2为旁路电容,可根据实际情况调容值,C1为22nf

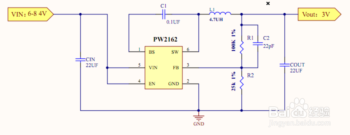
4、6V-8.4V输入,降压输出3V的电路图,输出电压的计算公式是:(1 + R1/R2) ∗ 0.6V = Vout(V),R1是100K, 输出电压是3V,由此就可以计算出,R2需要是25K

5、6V-8.4V输入,需要是在电流不大的应用中,例如MCU供电3.3v,或者3V时,建议是用PW6206,外围仅需要输入和输出各一个电容即可,可采用SOT23-3封装小型封装形式。
