1、1.一种重要的DC/DC电源结构为有源钳位正激电路,英文全称为ACTIVE CLAMP FORWARD,其作为一种开关电源,可以做到软开关技术,因而相对之前的拓补结构,具有更好的电压输出,当然控制也相对复杂。如图。

2、2.例如ZVS-PWM等软开关技术。有源钳位技术大大提高了正激电路的工作性能。其电压电流的输出波形关系如图所示。常见的电源芯片有UCC2891,UCC3580等。

3、3.另一种拓补方式如half bridge,半桥直流变换器。采用ZVS谐振软开关技术,常见的DC/DC控制芯片为UC28025,UCC3806等。

4、4.其电压电流的输出波形如图所示。

5、5.还有一种就是push-pull,推挽方式的DC/DC变换器。例如UC3825A,UC3823A等增强型PWM控制器来进行控制,频率为1.5MHz的电流模式的IC控制器。

6、6.其电压电流的输出波形可以表示为如图所示。

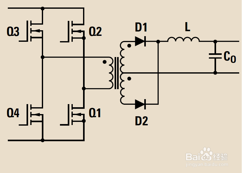
7、7.还有一种全桥直流变换器,full bridge。常见芯片如UCC3806等电源芯片。其电压电流的输出波形可以表示为下图所示。

