返回
海能知识库
网站首页
美食营养
游戏数码
手工爱好
生活家居
健康养生
运动户外
职场理财
情感交际
母婴教育
生活知识
生活百科
知识问答
更多知识
搜索
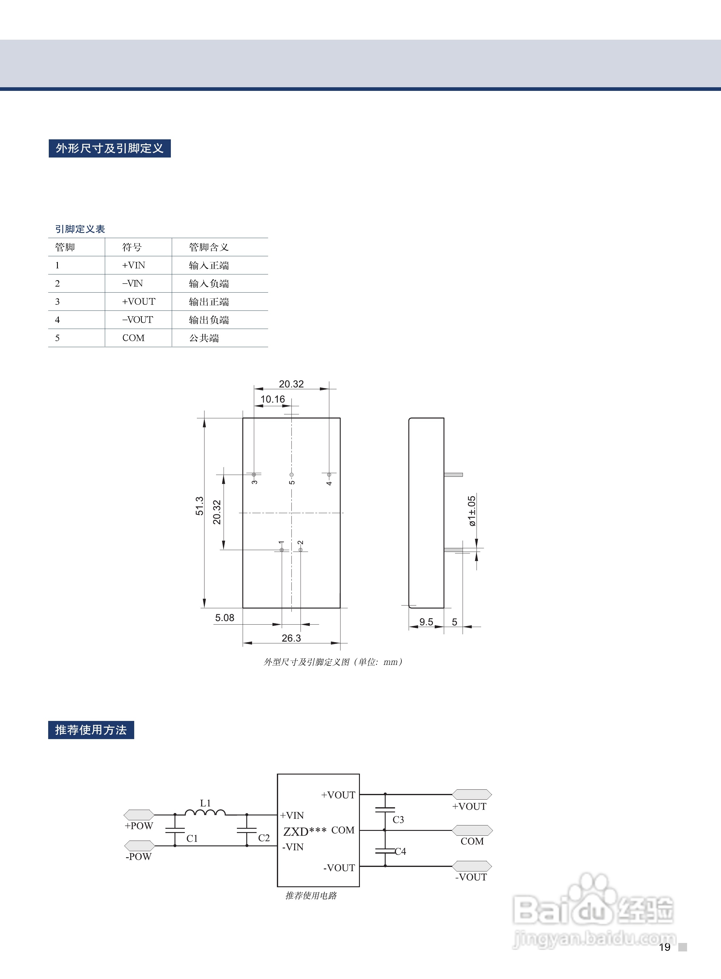
10W系列双、单路输出DC-DC模块电源说明书
时间:2026-04-05 06:52:14
VetaPower定电压输入稳压单输出DC-DC模块电源说明书
CA100系列 100W AC-DC电源模块说明书
DC-DC模块电源中如何正确运用拓扑电路
华普莱特HDC系列DC-DC电源模块产品说明书
C&D西恩迪TX1000系列模块电源产品说明书
为你推荐:
什么颜色的头发显白
cnc是什么
cover是什么意思
房产税什么时候开始征收
quarter是什么意思
solo什么意思中文
fsi是什么意思
sale是什么意思
三个火加木念什么
电脑电源什么牌子好
© 2026 海能知识库
信息来自网络 所有数据仅供参考
有疑问请联系站长 site.kefu@gmail.com