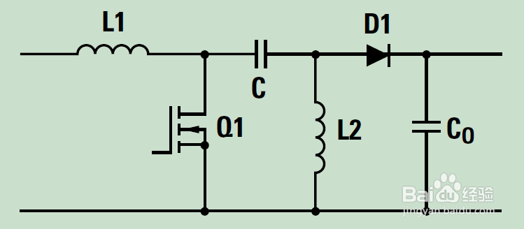
1、一种电源变换拓补为sepic电路,主要拓补结构如图所示,其和buck-boost电路在极性上相反,因而也是一种buck-boost电路。常见的应用芯片主要有TPS43000,UCC3807等。

2、其电压电流的关系如图所示。

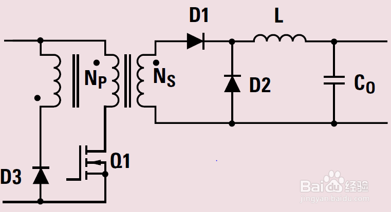
3、另一种常用的DC/DC拓补结构为Flyback变换器,又称为单端反激式DC-DC变换器,其和之前的DC/DC拓补的最大区别是增加了一个变压器绕组,也可以理解为将buck电路的电感换成了一个变压器绕组。

4、由于其变压器绕组的同名端是反相的,因而也称为单端反激。由于隔离性比较好,因而应用广泛而且安全。常见的flyback的应用芯片为TPS23750,UCC3809等。

5、实际上,之前介绍的DC/DC变换也可以总结为非隔离的DCDC变换结构,而从flyback电源拓补开始,逐渐的介绍隔离式的DCDC变换电路,其特点是可靠性好,安全。下面为forward电源拓补,也称为正激电路。

6、正激电路采用同名端同相的方式进行的变压器的连接。常见的forward电源的应用芯片有UCC28220/21,UCC3807,UCC3809等控制芯片。其主要的电压电流的关系如图所示。

7、还有结构更复杂的2 SWITCH forward/flyback变换器,有称为双开关的forward变换器电路。也是一种隔离式的DC/DC变换器。其特点是具有双mosfet和变压器结构,常见控制芯片主要由UCC27200(mos管驱动),UCC28220等。
