网站首页 美食营养 游戏数码 手工爱好 生活家居 健康养生 运动户外 职场理财 情感交际 母婴教育 生活知识 生活百科 知识问答 更多知识

OKI MICROLINE 8340CⅡ宽行通用针式打印机使用说明书:[15]

时间:2026-04-03 06:50:05

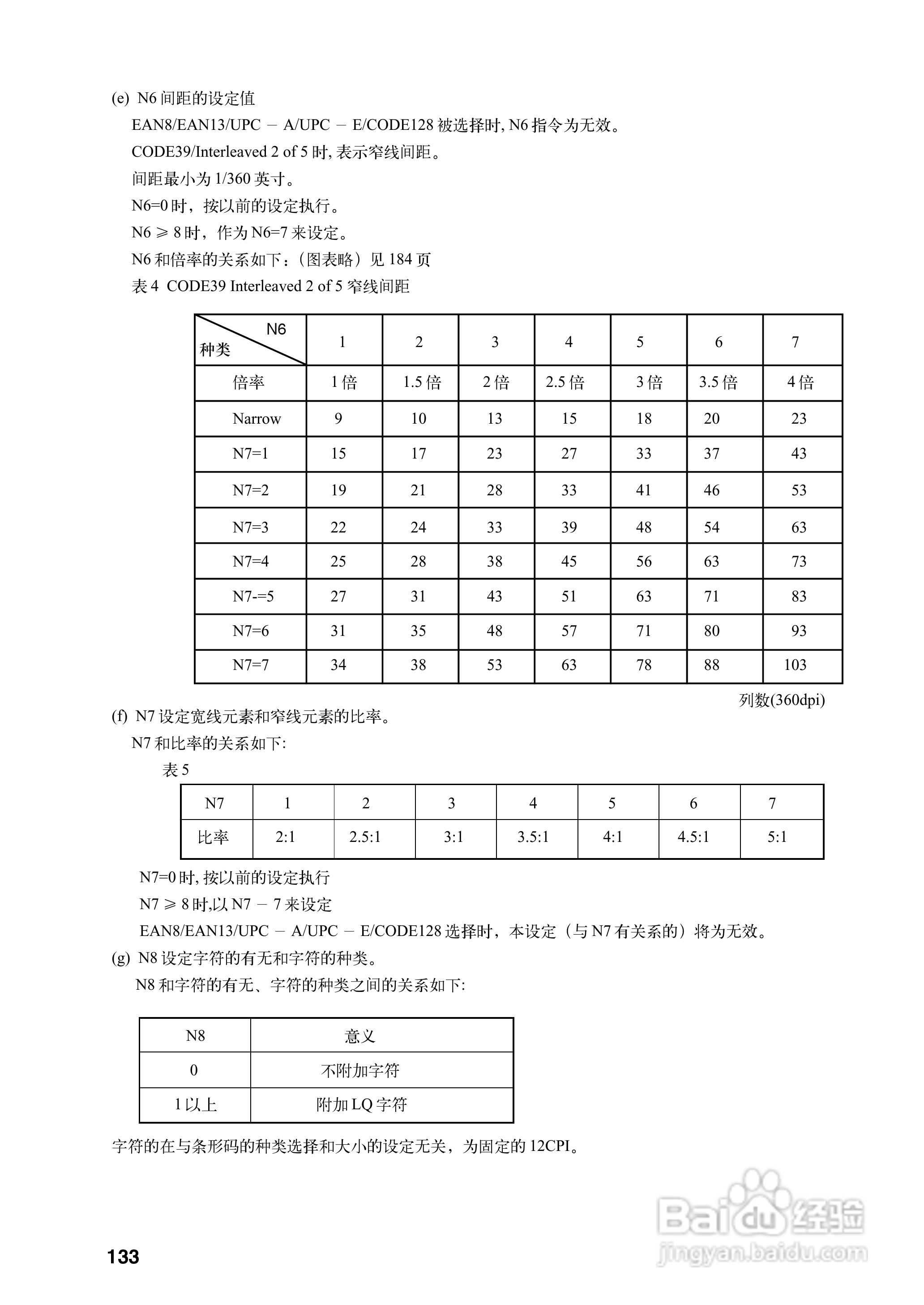
本篇为《OKI MICROLINE 8340CⅡ宽行通用针式打印机使用说明书》,主要介绍该产品的使用方法以及常见故障解决方案。


OKI MICROLINE 8340CⅡ宽行通用针式打印机使用说明书:[15]

OKI MICROLINE 8340CⅡ宽行通用针式打印机使用说明书:[15]

OKI MICROLINE 8340CⅡ宽行通用针式打印机使用说明书:[15]

OKI MICROLINE 8340CⅡ宽行通用针式打印机使用说明书:[15]

OKI MICROLINE 8340CⅡ宽行通用针式打印机使用说明书:[15]

OKI MICROLINE 8340CⅡ宽行通用针式打印机使用说明书:[15]

OKI MICROLINE 8340CⅡ宽行通用针式打印机使用说明书:[15]

OKI MICROLINE 8340CⅡ宽行通用针式打印机使用说明书:[15]

OKI MICROLINE 8340CⅡ宽行通用针式打印机使用说明书:[15]

OKI MICROLINE 8340CⅡ宽行通用针式打印机使用说明书:[15]

(共篇)上一篇:|下一篇:
© 2026 海能知识库
信息来自网络 所有数据仅供参考
有疑问请联系站长 site.kefu@gmail.com