返回
海能知识库
网站首页
美食营养
游戏数码
手工爱好
生活家居
健康养生
运动户外
职场理财
情感交际
母婴教育
生活知识
生活百科
知识问答
更多知识
搜索
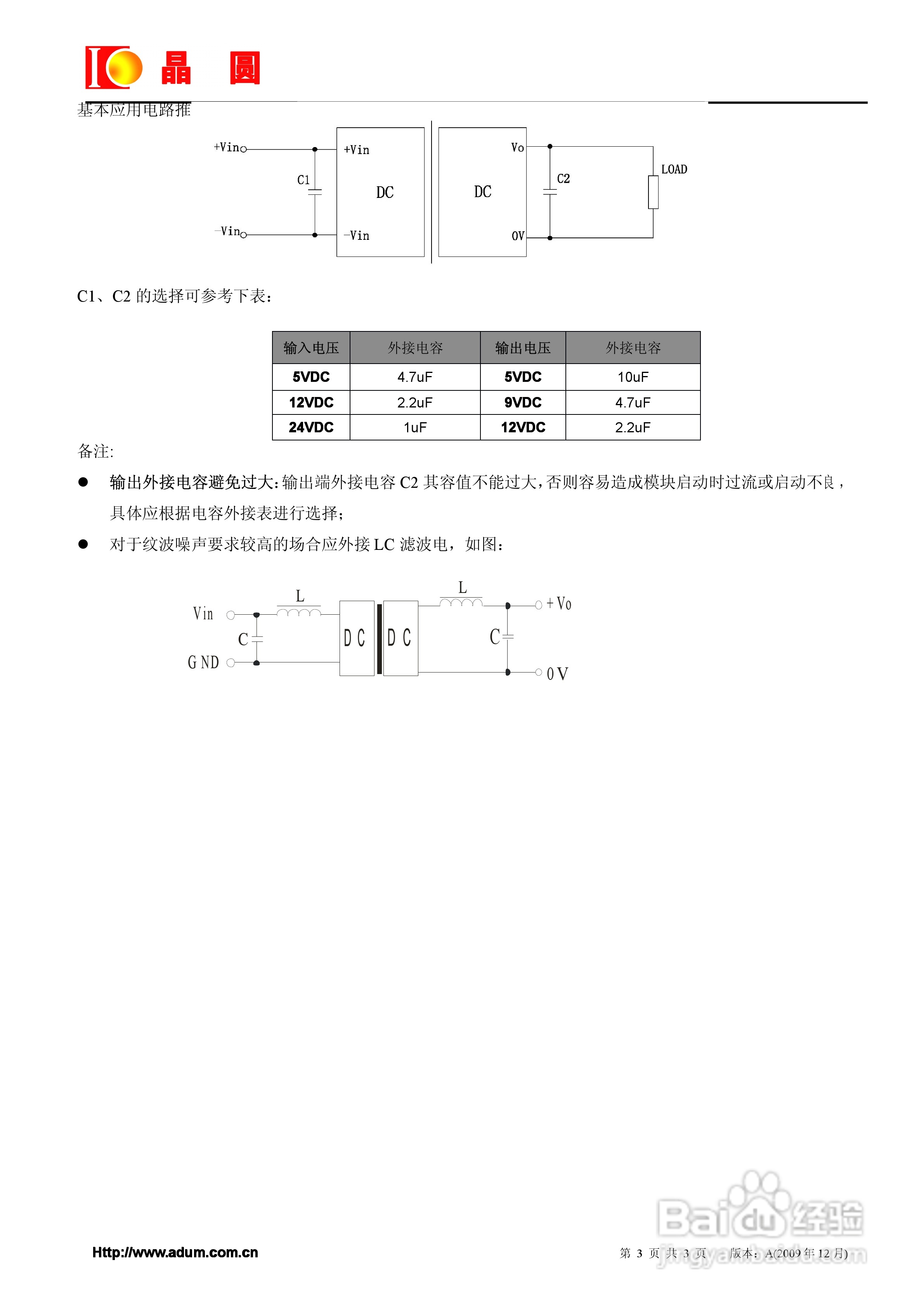
晶圆 IB/LS-1W/2W 系列 DC-DC模块电源说明书
时间:2026-04-11 07:28:39
CA100系列 100W AC-DC电源模块说明书
产电LS系列PLC以太网升级方案
晶圆切割胶带的特点
DC-DC模块电源中如何正确运用拓扑电路
IB考试书单制定方法分享
为你推荐:
黑曜石的功效与作用
茼蒿的功效与作用
沉香的功效与作用
草果的功效与作用
missyou什么意思
什么是肇事逃逸
运动鞋除臭
腻子粉什么牌子好
运动腕表
草长莺飞什么意思
© 2026 海能知识库
信息来自网络 所有数据仅供参考
有疑问请联系站长 site.kefu@gmail.com